CLG835 32E0316 000 工作装置 WORKING IMPLEMENT
CLG835 32E0316 000 工作装置 WORKING IMPLEMENT

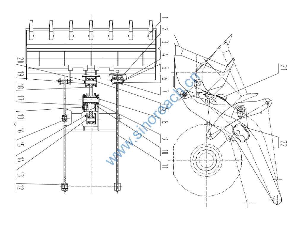
6 34C0034 ZL20.11.3 密封圈 SEAL 4
7 55A0283 ZL30.11-6 衬套 BUSHING 2
8 11D0063 ZL30.11.2 摇臂中销 PIN 1
9 35C0003 ZL50C.11.3 密封圈 SEAL 2
10 55A0280 ZL30.11-1 摇臂轴套 BUSHING 1
11 21D0236 动臂 BOOM 1
12 55A0282 ZL30.11-3 衬套 BUSHING 2
13 10B0014 油杯 FITTING 3
14 00B0055 GB5783-86 螺栓 BOLT M20×40-8.8-ZN.D 3
15 55A0281 ZL30.11-2 衬套 BUSHING 4
16 06B0016 GB97.1-85 垫圈 WASHER 20-140HV-ZN.D 4
17 21D0035 摇臂 ARM 1
18 16D0073 ZL30.11.7 拉杆 STICK 1
19 35C0013 ZL50C.11.10 密封圈 SEAL 63×75×8 14
20 11D0065 ZL30.11.5 拉杆销 PIN 3
