CLG842 32E0067 装卸叉(φ320)Handling Fork
CLG842 32E0067 装卸叉(φ320)Handling Fork

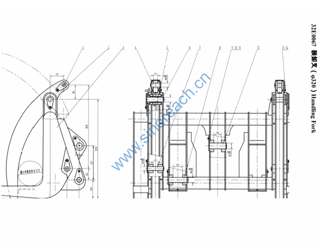
1 10B0014 GB1152-89 油杯 Oil cup M10×1 9
2 25D0020 ZL40B.27.1.1 夹紧叉 Clamp
fork
M20×40-8.8-Zn.D 2
3 25D0030 叉体 Fork 20 1
4 11D0026 上销 Upper
pin
20-140HV-Zn.D 2
5 55A0136 ZL50C.27.1-1 轴套 Bearing
bush
2
6 11D0027 ZL50C.27.1.4 叉销 Fork pin 2
7 11D0028 ZL50C.27.1.5 下销 Lower
pin
M12×30-8.8-Zn.D 2
8
11D0043 ZL40B.11.9 铲斗下销轴
Lower
pin shaft
of bucket
M12×30-8.8-Zn.D 2
9 00B0055 GB5783-86 螺栓 Bolt M20×40-8.8-Zn.D 3
10 06B0019 GB93-87 垫圈 Washer 20 3
11 06B0016 GB97.1-85 垫圈 Washer 20-140HV-Zn.D 3
12 11D0041 ZL40B.11.2 销 Pin 1
13 00B0109 GB5783-86 螺栓 Bolt M18×35-8.8-Zn.D 6
14 06B0014 GB93-87 垫圈 Washer 18 6
