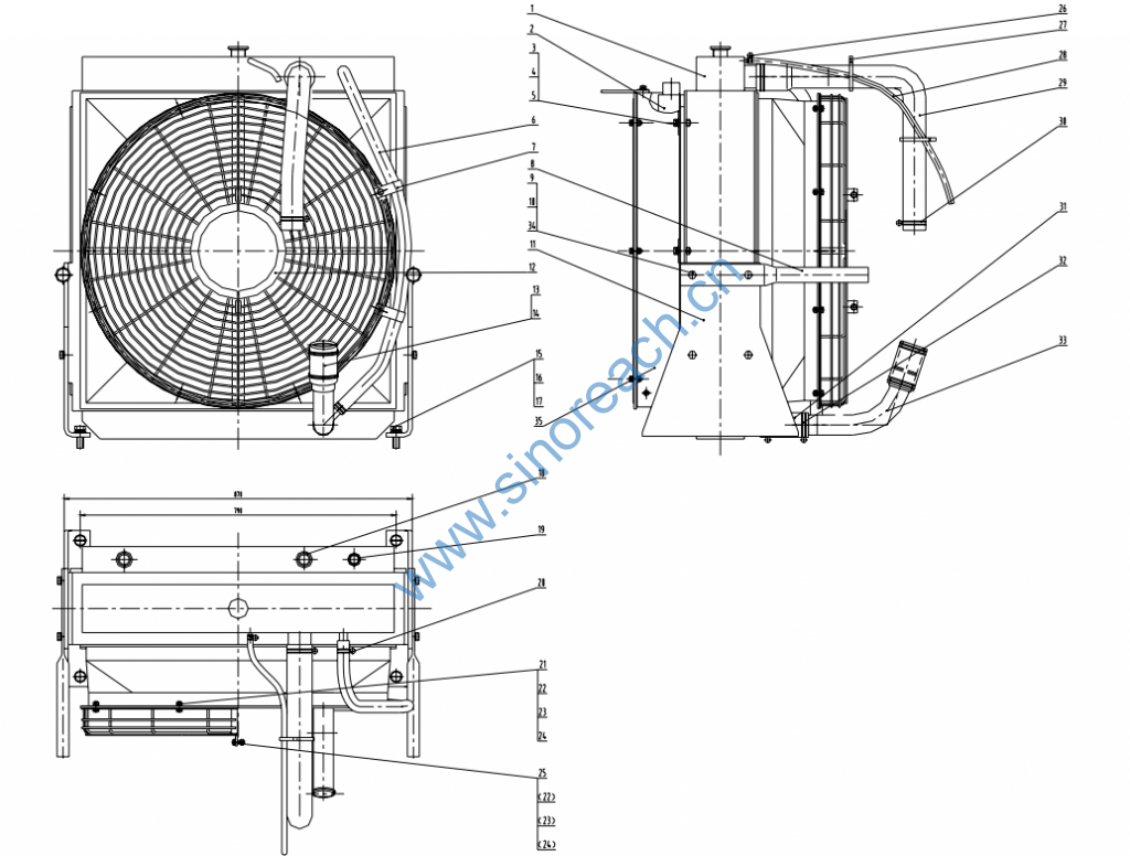
CLG842 00E0025 散热器总成 Radiator Assembly
CLG842 00E0025 散热器总成 Radiator Assembly

1 20C0032 水散热器 Water radiator 1
2 20C0033 油散热器 Oil radiator 1
3 00B0012 GB5783-86 螺栓 Bolt M10x25-8.8-Zn.D 6
4 06B0002 GB93-87 垫圈 Washer 10 6
5 06B0001 GB97.1-85 垫圈 Washer 6
6 30A0194 ZL50G.31-2 胶管 Hose 1
7 20A0162 ZL50C.15A-3 管夹 Clamp 2
8 37A0054 扶手 Handrail 2
9 00B0017 GB5783-86 螺栓 Bolt M12x30-8.8-Zn.D 8
10 06B0008 GB93-87 垫圈 Washer 12 9
11 23A0609 支撑板 Supporting plate 2
12 45D0026 防护罩 Shield 2
13 32A0355 06A1802 胶管 Hose 1
14 09C0245 T型弹簧卡箍 卡箍 Clamp φ115-φ120
(达克罗 Dacromet)
3
15 00B0094 GB5783-86 螺栓 Bolt M16x45-8.8-Zn.D 4
16 06B0015 GB93-87 垫圈 Washer 16 4
17 06B0012 GB97.1-85 垫圈 Washer 16-140HV-Zn.D 4
18 12B0373 GB3452.1-92 O形圈 O-ring 30×2.65 2
19 12B0245 GB3452.1-92 O形圈 O-ring 20×1.8 2
20 09C0236 德式不锈钢卡箍 卡箍 Clamp φ20-φ32
(达克罗 Dacromet)
2
21 00B0007 GB5783-86 螺栓 Bolt M8x16-8.8-Zn.D 8
22 06B0006 GB93-87 垫圈 Washer 8 10
23 06B0005 GB97.1-83 垫圈 Washer 8-140HV-Zn.D 12
24 03B0177 GB6170-86 螺母 Nut M8-8-Zn.D 10
25 00B0085 GB5783-86 螺栓 Bolt M8x25-8.8-Zn.D 2
26 09C0232 德式不锈钢卡箍 卡箍 Clamp φ12-φ20
(达克罗 Dacromet)
1
27 37B0010 ZD300×8 扎带 Tape 2
28 30A0266 尼龙管 Nylon tube 1
29 32A0144 上水管 Water pipe 1
30 09C0244 T型弹簧卡箍 卡箍 Clamp φ60-φ65
(达克罗 Dacromet)
1
31 11B0020 胶管 Hose 1
32 15B0004 T型弹簧卡箍 卡箍 Clamp φ65-φ70
(达克罗 Dacromet)
2
33 10D0327 下水管 Drain pipe 1
34 06B0007 GB97.1-85 垫圈 Washer 12-140HV-Zn.D 8
35 20C0117 排风装置 Vent device 1
