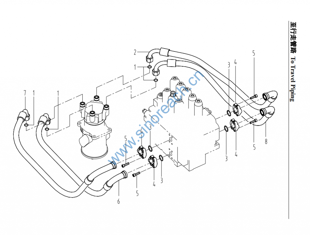
CLG200 至行走管路 To Travel Piping
CLG200 至行走管路 To Travel Piping

1 12B0021 O 形圈 19×1.8 O-ring 4 GB3452.1-92
2 06C0015 软管总成 Hose 1 04N1840
3 12B0445 O 形圈 32.92×3.53 O-ring 4 AS568A-219
4 04A0250 法兰压板 Clamp 4 FL-16
5 04B0186 螺钉 M10×30-10.9 Screw 16 GB70-85
6 06C0017 软管总成 Hose 1 04N1844
7 06C0611 软管总成 Hose 1
8 06C0588 软管总成 Hose 1
