ACHA0277 ylinder Head
ACHA0277 ylinder Head

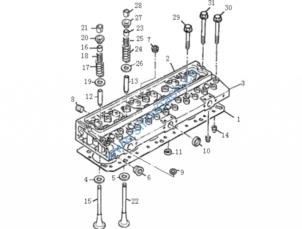
1 AC10E 004 T72505009 缸盖垫 Head Gasket 1 1 1 1 1 1 1 1 1 1 1 1
2 AC10E 005 TZZ80299 缸盖(总成) Cylinder Head Assy. 1 1 1 1 1 1 1 1 1 1 1 1
3 T3712L042 包括:缸盖 Cylinder Head 1 1 1 1 1 1 1 1 1 1 1 1
4 T3324E003 进气阀座 Inlet valve seat 6 6 6 6 6 6 6 6 6 6 6 6
5 T3314A122 排气阀座 Outlet valve seat 6 6 6 6 6 6 6 6 6 6 6 6
6 T2431154 堵 Plug 2 4 4 4 4 4 2 4 4 4 4 4
7 T0650586 堵 Plug 6 1 1 1 1 1 6 1 1 1 1 1
8 T0650203 堵 Plug 1 1 1 1 1 1 1 1 1 1 1 1
9 T2411157 垫圈 Washer 1 1 1 1 1 1 1 1 1 1 1 1
10 T0650710 碗堵 Plug 3 3 3 3 3 3 3 3 3 3 3 3
11 T32417156 出沙孔堵 Plug 6 6 6 6 6 6 6 6 6 6 6 6
12 AC10E 037 T3343F041 进气门导管 Inlet valve guide 6 6 6 6 6 6 6 6 6 6 6 6
13 AC10E 040 T3343J021 排气门导管 Outlet valve guide 6 6 6 6 6 6 6 6 6 6 6 6
14 AC10E 064 T2114A046 定位销 Dowel 2 2 2 2 2 2 2 2 2 2 2 2
15 AC10F 001 T3142L072 进气阀 Valve inlet 6 6 6 6 6 6 6 6 6 6 6 6
16 AC10F 004 T33817117 密封套 Seal 6 6 6 6 6 6 6 6 6 6 6 6
18 AC10F 007 T31745122 弹簧 Spring 6 6 6 6 6 6 6 6 6 6 6 6
17 AC10F 010 T31744133 弹簧 Spring 6 6 6 6 6 6 6 6 6 6 6 6
19 AC10F 013 T33415118 垫圈 Washer 6 6 6 6 6 6 6 6 6 6 6 6
20 AC10F 016 T33424107 盖 Cap 6 6 6 6 6 6 6 6 6 6 6 6
21 AC10F 019 T33173108 锁片 Cotter 12 12 12 12 12 12 12 12 12 12 12 12
22 AC10F 025 T3142A051 排气阀 Valve exhaust 6 6 6 6 6 6 6 6 6 6 6 6
23 AC10F 028 T33817117 密封套 Seal 6 6 6 6 6 6 6 6 6 6 6 6
24 AC10F 031 T31745122 弹簧 Spring 6 6 6 6 6 6 6 6 6 6 6 6
25 AC10F 034 T31744133 弹簧 Spring 6 6 6 6 6 6 6 6 6 6 6 6
26 AC10F 037 T33415118 垫圈 Washer 6 6 6 6 6 6 6 6 6 6 6 6
27 AC10F 043 T33424107 盖 Cap 6 6 6 6 6 6 6 6 6 6 6 6
28 AC10F 046 T33173108 锁片 Cotter 12 12 12 12 12 12 12 12 12 12 12 12
29 AC10E 100 T32166219 螺栓 Screw 12 12 12 12 12 12 12 12 12 12 12 12 12
30 AC10E 103 T32166221 螺栓 Screw 18 18 18 18 18 18 18 18 18 18 18 18 18
31 AC10E 106 T32166222 螺栓 Screw 2 2 2 2 2 2 2 2 2 2 2 2 2
