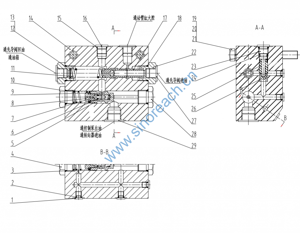
CLG835 12C0037 002 组合阀 COMBINATION VALVE
CLG835 12C0037 002 组合阀 COMBINATION VALVE

1 03B0066 LF32-22 螺塞 PLUG 5
2 12B0046 GB1235-76 O 形密封圈 “O” RING 9×1.9 5
3 12B0291 GB1235-76 O 形密封圈 “O” RING 22×2.4 2
4 03B0068 ZL50C.9.16A-2 螺塞 PLUG 1
5 00A0047 ZL50C.9.16-1 阀芯 SPOOL 1
6 75A0025 ZL50C.9.16-7 调压弹簧 SPRING 1
7 65A0017 ZL50C.9.16-8 锥阀 SPOOL 1
8 51A0053 ZL50C.9.16-5 阀座 HOUSING 1
9 28C0095 垫片 SHIM 1
10 75A0024 ZL50C.9.16-4 复位弹簧 SPRING 1
11 75A0172 调压弹簧 SPRING 1
12 57A0064 ZL50CI.10.28-2 调整垫片 SHIM 4
13 57A0065 ZL50CI.10.28-3 调整垫片 SHIM 6
14 78A0030 阀体 HOUSING 1
15 12B0351 GB1235-76 O 形密封圈 “O” RING 16×2.4 2
16 03B0064 LF32-20 螺塞 PLUG 1
17 65A0036 ZL50CI.10.28-6 阀芯 SPOOL 1
18 12B0339 GB1235-76 O 形密封圈 “O” RING 24×2.4 2
19 01B0142 GB5782-86 螺栓 BOLT M12×90-8.8-Zn.D 2
20 06B0008 GB93-87 垫圈 WASHER 12 2
21 06B0007 GB97.1-85 垫圈 WASHER 12-140HV-Zn.D 2
22 00A0154 ZL50CI.10.28-1 接头 CONNECTOR 2
23 03B0344 ZL50CI.10.13-11 定位螺塞 PLUG 1
24 75A0106 ZL50CI.10.13-7 复位弹簧 SPRING 1
25 65A0042 ZL50CI.10.13-8 单向阀芯 SPOOL 1
26 56A0142 ZL50E.10.16-11 阀座 HOUSING 1
27 86A0086 FJ0314 封堵 PLUG 3
28 03B0345 ZL50CI.10.13-9 限位螺塞 PLUG 1
29 84A0127 FJ0320 封堵 PLUG 1
