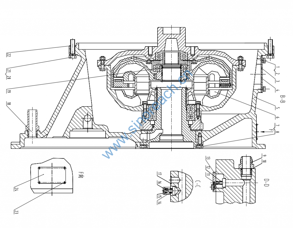
CLG835 52C0076 002 变矩器总成 CONVERTER ASSEMBLY
CLG835 52C0076 002 变矩器总成 CONVERTER ASSEMBLY


1 00B0007 GB5783-86 螺栓 BOLT M8×16-8.8-ZN.D 8
2 06B0006 GB93-87 垫圈 WASHER 8 8
3 11A0011 ZL50C.3.3-6 垫板 PLATE 1
4 82A0004 ZL50C.3.3-7 衬垫 GASKET 1
5 70A0001 ZL50C.3.3-8 壳体 CONVERTER
HOUSING 1
6 42C0042 YJSW315-3CL 变矩器 CONVERTER 1
7 00B0012 GB5783-86 螺栓 BOLT M10×25-8.8-ZN.D 9
8 06B0002 GB93-87 垫圈 WASHER 10 9
9 03A0019 BB70-9 管接头 CONNECTOR 2
10 12B0144 GB1235-76 O 形圈 “O” RING 32×3.1 2
11 65A0001 ZL50C.3.3-20 阀杆 VALVE STEM 1
12 10B0002 ZL50C.3.3-19 弹簧 SPRING 1
13 13A0011 ZL50C.3.3-18 压板 CLAMP PLATE 1
14 10B0001 ZL50C.3.3-17 弹簧 SPRING 1
15 21A0005 ZL50C.3.3-16 阀盖 VALVE
COVER 1
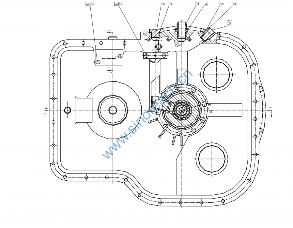
16 65A0002 ZL50C.3.3-21 阀杆 VALVE STEM 1
17 12B0291 GB1235-76 O 形圈 “O” RING 22×2.4 1
18 00A0002 ZL50C.1-4 接头 CONNECTOR 1
19 28C0093 调整垫组件 WASHER 1
20 00B0058 GB5783-86 螺栓 BOLT M12×45-8.8-ZN.D 12
21 06B0008 GB93-87 垫圈 WASHER 12 12
22 81A0005 ZL50C.3.3-5 衬垫 GASKET 1
23 09B0002 GB827-86 铆钉 RIVET 2×5 4
24 74A1503 变矩器铭牌 CONVERTER
NAME PLATE 1
25 05A0008 ZL50C.3.3-24 堵头 PLUG 1
26 12B0379 GB1235-76 O 形圈 “O” RING 30×3.1 1
27 12B0339 GB1235-76 O 形圈 “O” RING 24×2.4 1
28 00A0170 ZL50C.3.3-10B 油温表接头 CONNECTOR 1
