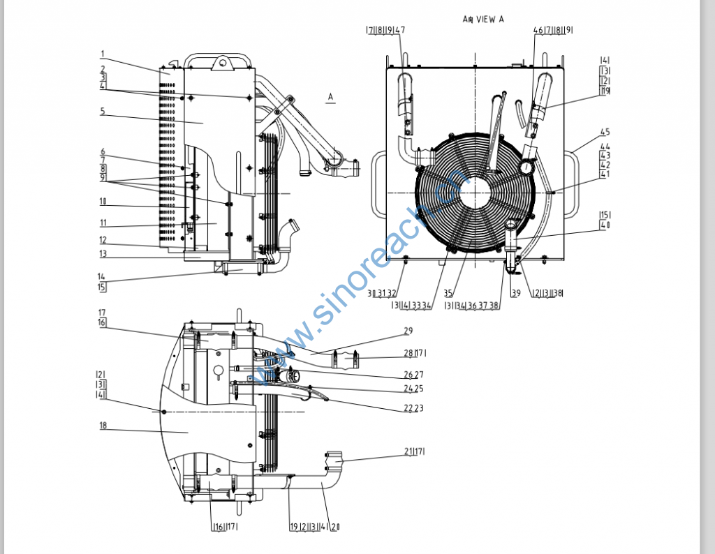
CLG414 00E0877 001 散热系统 COOLING SYSTEM
CLG414 00E0877 001 散热系统 COOLING SYSTEM

42 06B0003 000 垫圈 WASHER 1
43 06B0024 000 垫圈 WASHER 1
44 09C0580 000 管夹 CLAMP 1
45 42D1094 000 侧板 SIDE PLATE 1
46 29A1408 000 支撑板 PLATE 1
47 29A1409 000 支撑板 PLATE 1

CLG414 00E0877 001 散热系统 COOLING SYSTEM

42 06B0003 000 垫圈 WASHER 1
43 06B0024 000 垫圈 WASHER 1
44 09C0580 000 管夹 CLAMP 1
45 42D1094 000 侧板 SIDE PLATE 1
46 29A1408 000 支撑板 PLATE 1
47 29A1409 000 支撑板 PLATE 1