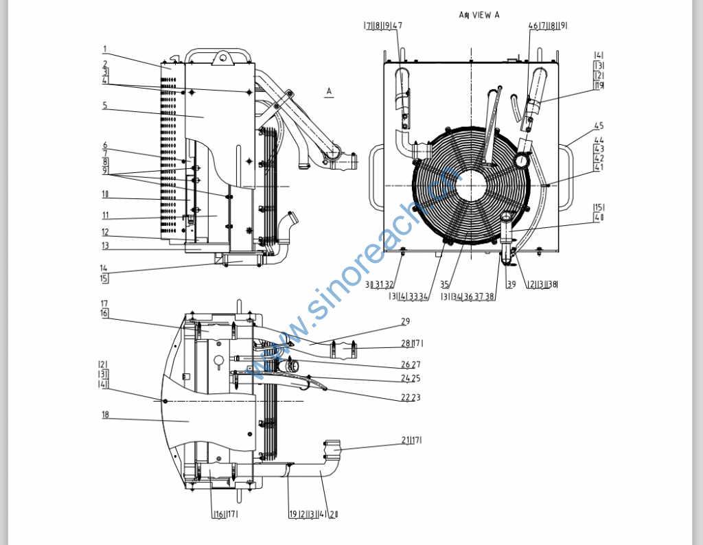
CLG414 00E0877 001 散热系统 COOLING SYSTEM
CLG414 00E0877 001 散热系统 COOLING SYSTEM

1 43D0493 001 前盖板 PLATE 1
2 00B0007 000 螺栓 BOLT 32
3 06B0006 000 垫圈 WASHER 43
4 06B0086 000 垫圈 WASHER 37
5 42D1093 000 侧板 SIDE PLATE 1
6 40C1462 000 空-空中冷器 AIR COOLER 1
7 00B0002 000 螺栓 BOLT 22
8 06B0002 000 垫圈 WASHER 22
9 06B0030 000 垫圈 WASHER 22
10 40C1463 000 液压油散热器 OIL COOLER 1
11 20C1063 000 组合式散热器 RADIATOR GP 1
12 20A8705 001 弯板 PLATE 1
13 00D7527 001 散热器支撑 SUPPORT 1
14 32A0591 000 下水胶管 HOSE 1
15 15B0006 000 双钢丝式环箍 CLAMP 4
16 32A0593 001 进气软管 INTAKE HOSE 2
17 09C0330 000 卡箍 CLAMP 8
18 37C0621 002 横盖板 COVER 1
19 20A6770 000 管夹 CLAMP 2
20 38A3277 000 中冷器钢管 PIPE 1
21 30A0609 001 进气软管 INTAKE HOSE 1
22 32A0592 001 上水管 HOSE 1
23 09C0234 001 卡箍 CLAMP 2
24 30A0708 000 蒸汽胶管 HOSE 1
25 09C0232 000 卡箍 CLAMP 2
26 11B0066 000 胶管 HOSE 1
27 09C0235 001 卡箍 CLAMP 2
28 30A0608 002 进气软管 INTAKE HOSE 1
29 38A3276 000 中冷器钢管 PIPE 1
30 00B0245 000 螺栓 BOLT 4
31 06B0015 000 垫圈 WASHER 4
32 06B0087 000 垫圈 WASHER 4
33 00B0085 000 螺栓 BOLT 10
34 03B0021 000 螺母 NUT 11
35 45D0567 000 防护罩 PROTECTION SHIELD 2
36 21A4776 000 管夹 CLAMP 1
37 00B0198 000 螺栓 BOLT 1
38 06B0005 000 垫圈 WASHER 2
39 10D7309 000 下水管 HOSE 1
40 32A1096 000 下水胶管 HOSE 1
41 00B0022 000 螺栓 BOLT 1
