LW500F 标识 Label
LW500F 标识 Label

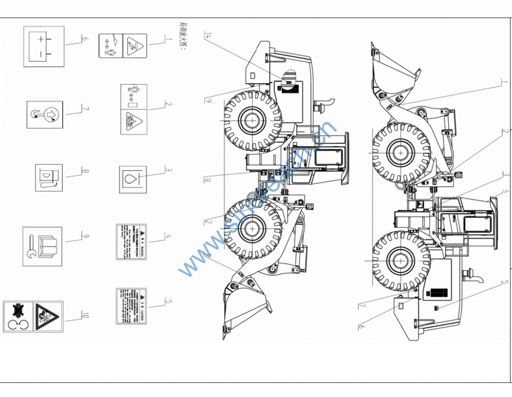
1 5004297 安全标志 2 A1003
2 5004296 安全标志 2 A1002
3 5004298 液压油标志 1 F1004
4 5004300 安全标志 1 A7271B
5 5004301 安全标志 1 A7272B
6 5004370 蓄电池标志 1 F1006
7 5004303 起吊处标志 4 F1012
8 5004299 柴油标志 1 F1005
9 5004368 工具箱标志 1 F1010
10 5004376 安全标志 1 A1023
