9F20 – 230000 Трансмиссия (Transmission)
9F20 – 230000 Трансмиссия (Transmission)

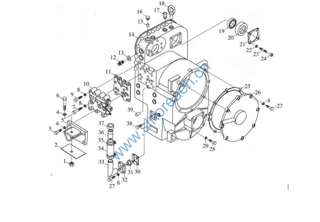
1 GB41-86 Гайка М18 Nut M18 2
2 403031 Резиновая прокладка Rubber pad 2
3 GB5782-86 Болт М18х40 Bolt M18x40 8
4 GB93-87 Шайба 18 Washer 18 10
5 403032-34 Кронштейн Connecting seat 2
6 GB5780-86 Болт М18х140 Bolt M18x140 2
7 GB5782-86 Болт M10x75 Bolt M10x75 9
8 GB93-86 Шайба 10 Washer 10 64
9 GB5782-86 Болт M10x70 Bolt M10x70 9
10 403700 Клапан управления трансмиссией Transmission control valve assembly 5
11 ZL40-ZD(all set) Прокладка Gasket for 1 unit gearbox 1
402111C
12 402111 402111X3 Штуцер Joint body 3
402111X6
13 402106 Прокладка Gasket 3
403005X1
14 403005A Корпус трансмиссии Transmission body 1
403005АX3
15 403028 Конусная пробка Taper plug 1
16 402223 Пробка Screw plug 1
17 403024-27 Сапун Vent pipe assembly 1
18 GB825-86 Рым болт М20 Cliver screw M20 2
19 GB276-89 Подшипник 211 (55x100x21) Ball bearing 211 (55x100x21) 1
20 403057 Втулка подшипника Bearing sleeve 1
21 403058 Уплотнение Seal gasket 1
22 GB93-87 Шайба 12 Washer 12 12
- GB897-74 Шпилька M12x30 Stud M12x30 4
24 GB6170-86 Гайка М12 Nut M12 4
25 403001 Уплотнение Seal gasket 1
26 403002 Крышка End cover 1
27 GB5783-86 Болт M10x30 Bolt M10x30 38
28 GB5782-86 Болт M14x30 Bolt M14x30 4
29 GB93-87 Шайба 14 Washer 14 4
30 GB1235-76 Кольцо O-ring Ø40×3.1 1
31 403-059-064X7+403 2014-14X1 Filling pipe+ suction pipe assy 1
32 403064A Плита крепежная Pressure cover 1
33 403063A Колено Bending tube 1
34 403060A Шланг Rubber hose 1
35 Зажим 13/4″ clip 13/4″ 2
36 403062A Штуцер Tube joint 1
37 403059A Маслоналивная горловина Oil filling tube cap 1
38 Пробка уровня масла ZG1/4″ Oil checking plug ZG1/4″ 1
39 403022 Штифт Column pin 1
