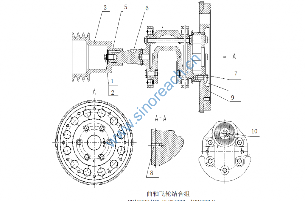
曲轴飞轮组件 CRANKSHAFT FLYWHEEL ASSEMBLY S00003146+01
曲轴飞轮组件 CRANKSHAFT FLYWHEEL ASSEMBLY S00003146+01

1 压紧螺钉 SCREW 771-06-021A+A 1
2 垫片 GASKET 771-06-022+A 1
3 皮带盘 SPACER RING B774ZLA-06-012+A 1
4 甩油圈 OIL SPLASH RING 761-06-006C+A 1
5 GB/T/T1096-C16*60:单圆头普通平键 FLAT KEY B00002667 1
6 GB/T1099-10*32:半圆键 FLAT KEY B00000055 1
7 飞轮螺栓 FLYWHEEL BOLT 763C-06-004+A 6
8 GB/T119-A16*40:圆柱销 FLAT KEY B00000106 1
9 飞轮齿圈装配部件 FLYWHEEL AND RING GEAR ASSY 771-06B-030+A 1
10 油管 INLET TUBE 761G-06-013A+A 2
12 曲轴装配部件 CRANKSHAFT ASSY B774ZLA-06-020+A 1
13 GB/T1096-C16*56:普通平键 FLAT KEY B00000041 1
