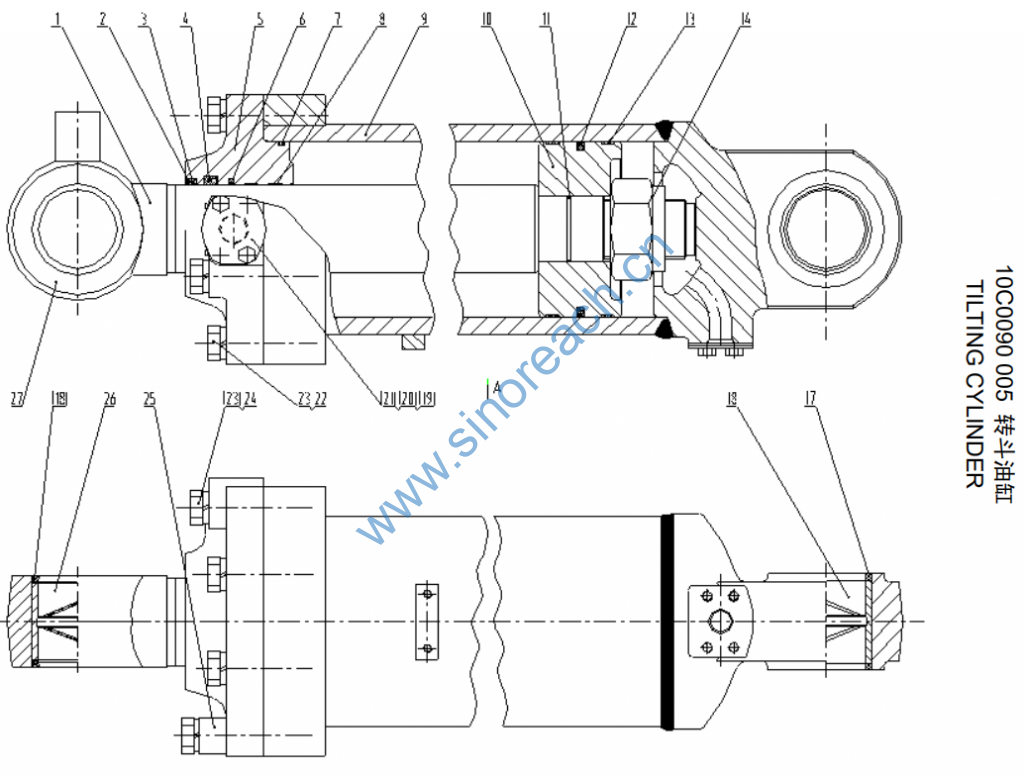
CLG862 10C0090 005 转斗油缸 TILTING CYLINDER
CLG862 10C0090 005 转斗油缸 TILTING CYLINDER

2 76A0099 000 弹性挡圈 SNAP RING 1
3 13B0120 000 防尘圈 DUST RING 1
4 13B0119 000 密封圈 SEAL RING 1
5 54A0107 001 缸盖 CYLINDER HEAD 1
6 13B0212 000 密封圈 SEAL RING 1
7 12B0306 000 O 形圈 O-RING 1
8 76A0031 000 导向环 RING 2
9 13D0139 000 缸体 CYLINDER BODY 1
10 50A0055 000 活塞 PISTON 1
11 12B0117 000 O 形圈 O-RING 1
12 34C0121 000 密封圈 SEAL RING 1
13 80A0128 000 导向带 SUPPORT RING 2
14 34C0512 000 锁紧螺母 LOCKNUT 1
17 35C0003 000 密封圈 SEAL RING 4
18 55A0090 000 轴衬 BUSHING 1
19 81A0011 000 垫 SHIM 2
20 21A0042 000 盖 CAP 2
21 00B0011 000 螺栓 BOLT 4
22 01B0057 000 螺栓 BOLT 4
23 06B0052 000 垫圈 WASHER 8
24 01B0237 000 螺栓 BOLT 1
25 55A0220 000 垫套 BUSHING 2
26 55A0583 000 轴衬 BUSHING 1
*1 61A0380 003 活塞杆 PISTON ROD 1
*27 14D0034 001 活塞杆 PISTON ROD 1
