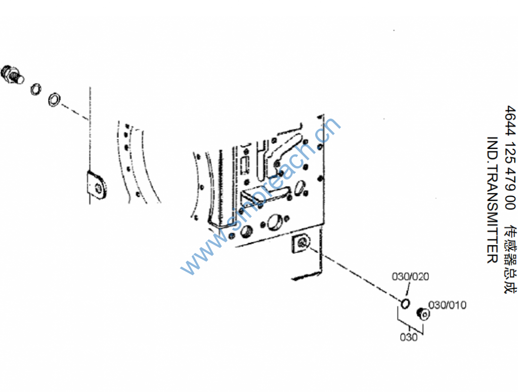
CLG862 4644 125 479 00 传感器总成 IND.TRANSMITTER
CLG862 4644 125 479 00 传感器总成 IND.TRANSMITTER

030 0636 000 螺塞 PLUG 1
030/010 0636 302 014 H 000 螺栓 M18×1.5 SCREW PLUG 1
030/020 0634 306 524 000 O 形圈 15×2 O-RING 1

CLG862 4644 125 479 00 传感器总成 IND.TRANSMITTER

030 0636 000 螺塞 PLUG 1
030/010 0636 302 014 H 000 螺栓 M18×1.5 SCREW PLUG 1
030/020 0634 306 524 000 O 形圈 15×2 O-RING 1