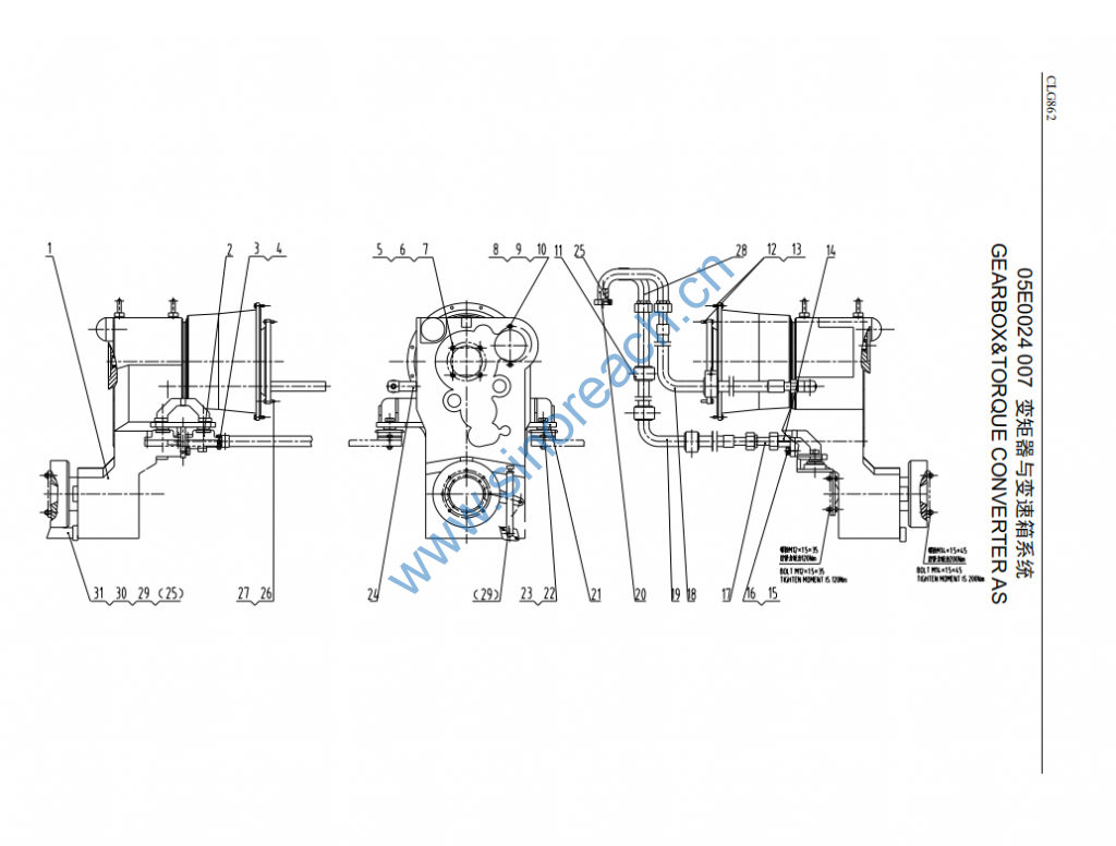
CLG862 05E0024 007 变矩器与变速箱系统 GEARBOX&TORQUE CONVERTER AS
CLG862 05E0024 007 变矩器与变速箱系统 GEARBOX&TORQUE CONVERTER AS

1 05E0004 001 变速箱变矩器总成 GEARBOX&TORQUE
CONVERTER AS 1 Z
2 34C0040 001 E 型减震器 E-SHOCK ABSORBER 4
3 00B0232 000 螺栓 BOLT 8
4 03B0034 001 尼龙锁紧螺母 LOCKNUT 8
5 02B0046 000 双头螺栓 STUD BOLT 4
6 06B0013 000 垫圈 WASHER 4
7 03B0111 000 螺母 NUT 4
8 05B0083 000 螺柱 STUD 2
9 06B0177 001 垫圈 WASHER 2
10 03B0210 002 锁紧螺母 LOCKNUT 2
11 09C0056 001 管夹 CLAMP 4
12 00B0237 000 螺栓 BOLT 20
13 06B0002 000 垫圈 WASHER 20
14 30C0023 000 接头总成 CONNECTOR AS 1 Z
15 00B0160 000 螺栓 BOLT 4
16 06B0019 000 垫圈 WASHER 4
17 15D0034 000 管接头 CONNECTOR 1
18 07C2099 000 软管总成 HOSE AS 1
19 00C0202 000 散热器至变矩器软
管
HOSE 1
20 10D0679 000 弯管总成 ELBOW 1
21 02D0088 000 变速箱支座 SUPPORT 1
22 01B0165 000 螺栓 BOLT 4
23 00B0042 000 垫圈 WASHER 4
24 31C0238 000 可调接头总成 CONNECTOR AS 1 Z
25 12B0333 000 O 形圈 O-RING 5
28 02C0227 000 弯管总成 ELBOW AS 1
29 07C0565 000 加油管总成 FILLER TUBE AS 1
30 00B0020 000 螺栓 BOLT 2
31 06B0006 000 垫圈 WASHER 2
