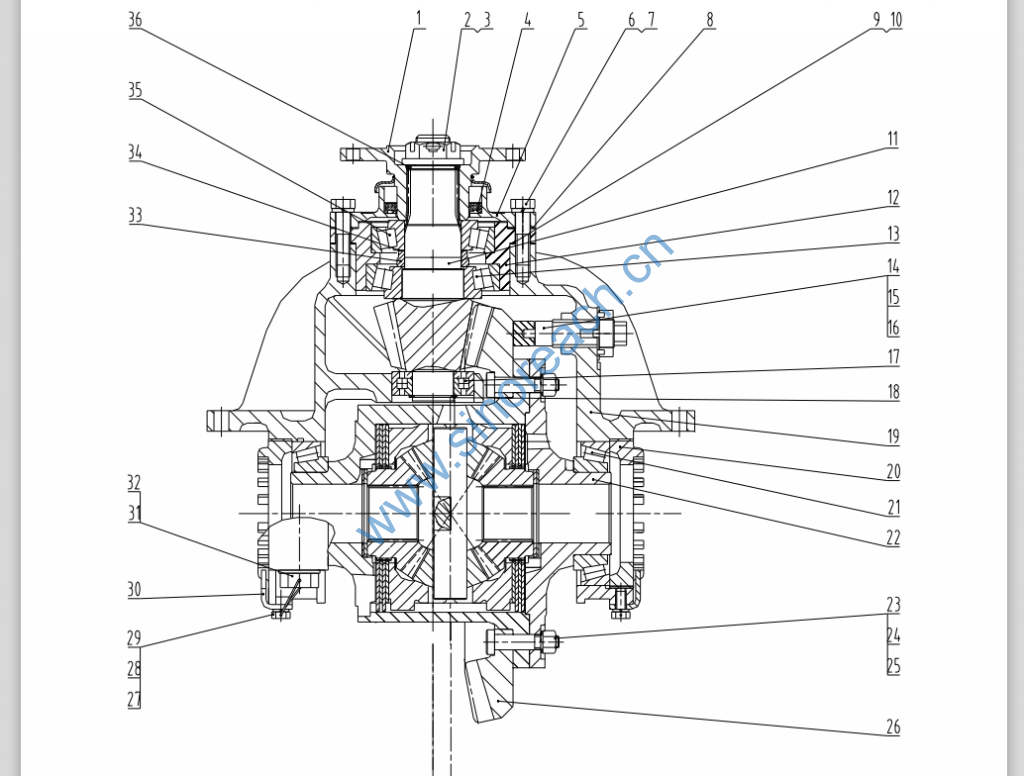
CLG862 41C0111 006 主传动总成 PRIMARY REDUCTION
CLG862 41C0111 006 主传动总成 PRIMARY REDUCTION

1 12D0010 000 输入法兰 INPUT FLANGE 1
2 03B0050 000 带槽螺母 NUT 1
3 08B0032 000 销 PIN 1
4 13B0169 000 油封 OIL SEAL 1
5 53A0307 000 密封盖 CAP 1
6 00B0275 000 螺栓 BOLT 8
7 06B0013 000 垫圈 WASHER 8
8 80A0021 000 垫密片 SHIM 1
9 57A0024 000 调整垫片 SHIM 1
10 81A0072 000 垫片 SHIM 1
11 43A0085 000 主动螺旋锥齿轮 PINION 1
12 55A0077 004 轴承套 BEARING BUSHING 1
13 23B0050 000 圆锥滚子轴承
HR30312DJ TAP.ROLLER BRG 1
14 44C0019 000 止推螺栓 LOCK BOLT 1
15 03B0154 000 螺母 NUT 1
16 76A0011 000 锁紧片 LOCKING PLATE 1
17 22B0006 000 圆柱滚子轴承
NUP2208ET ROLLER BEARING 1
18 07B0038 000 挡圈 SNAP RING 1
19 41C0198 000 托架总成 CARRIER AS 1 Z
20 03B0062 000 调整螺母 ADJUSTING NUT 2
21 23B0012 000 圆锥滚子轴承
32216 TAP.ROLLER BRG 2
22 41C0112 003 C 型限滑差速器总
成
DIFFERENTIAL AS 1 Z
23 60A1027 000 螺栓 BOLT 12
24 03V0537 000 螺母 NUT 12
25 06B0214 000 淬硬垫圈 HARD WASHER 12
26 43A0086 000 大螺旋锥齿轮 SPIRAL BEVEL GEAR 1
27 02B0012 000 螺栓 BOLT 2
28 06B0002 000 垫圈 WASHER 2
29 40B0006 000 铁丝 STEEL WIRE 2
30 21A0040 000 锁紧片 FASTENER 2
31 02B0032 000 螺栓 BOLT 4
32 06B0270 001 淬硬垫圈 HARD WASHER 4
33 41C0264 001 轴套 BUSHING 1
34 57A0027 001 垫片 SHIM 1
35 23B0051 000 圆锥滚子轴承
HR30311DJ TAP.ROLLER BRG 1
36 12B0105 000 O 形圈 O-RING 1
