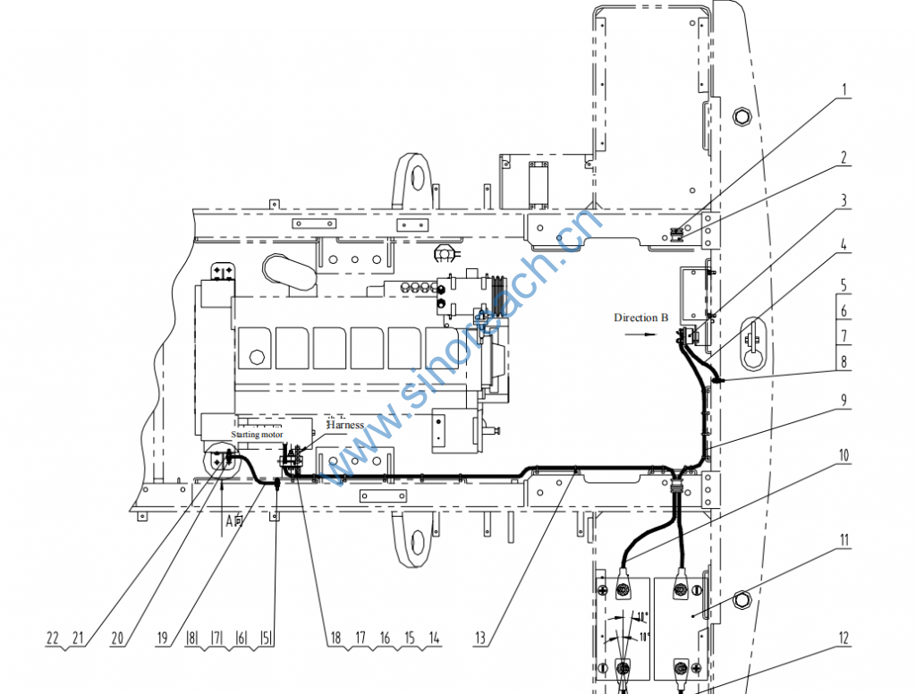
CLG842 22E0248 蓄电池线路总成 Battery Wiring Assembly
CLG842 22E0248 蓄电池线路总成 Battery Wiring Assembly

1 83A0152 橡胶圈 Rubber ring 2
2 83A0142 护孔圈 Gromment 2
3 34B0087 负极开关 Cathode switch 1
4 08C0692 负极开关搭铁电缆 Earth cable of
cathode switch 1
5 05B0072 双头螺柱 Stud 2
6 06B0001 GB97.1-85 垫圈 Washer 10-140HV-Zn.D 4
7 06B0002 GB93-87 垫圈 Washer 10 5
8 03B0053 GB6170-86 螺母 Nut M10-8-Zn.D 3
9 08C0691 蓄电池负极至开关电缆 Battery cathode to
switch cable 1
10
08C0690
蓄电池正极至起动电机
电缆
Battery anode to
starting motor cable 1
11 37B0108 6-QW-120T 蓄电池 Battery 2
12 08C0485 蓄电池连接电缆 Battery connencting
cable 1
13 37B0004 ZD200X5 扎带 Tape 16
14 10A1056 板 Plate 2
15 84A0323 胶板 Compreg 2
16 00B0030 GB5783-86 螺栓 Bolt M8×55-8.8-Zn.D 1
17 06B0005 GB97.1-85 垫圈 Washer 8-140HV-Zn.D 1
18 03B0021 GB6170-86 螺母 Nut M8-8-Zn.DD 1
19 08C0595 起动电机搭铁电缆 Harness 1
20 05B0075 双头螺拴 Stud 1
21 06B0005 GB97.1-85 垫圈 Washer 14-140HV-Zn.D 1
22 06B0005 GB93-87 垫圈 Washer 14 1
