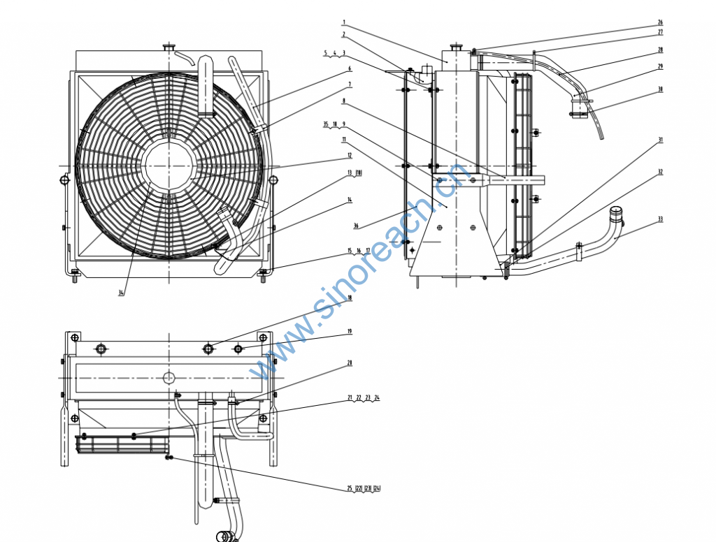
CLG842 00E0035 散热器总成 Radiator Assembly
CLG842 00E0035 散热器总成 Radiator Assembly

1 20C0032 水散热器 Water radiator 1
2 20C0033 新乡水箱
Xinxiang
water tank
液压油-变 矩
器油散热器
Hydraulic
oil-torque
convertor oil
radiator
1
3 00B0012 GB5783-86 螺栓 Bolt M10×25-8.8-Zn.D 6
4 06B0002 GB93-87 垫圈 Washer 10 6
5 06B0001 GB97.1-85 垫圈 Washer 10-140HV-Zn.D 6
6 30A0039 ZL50G.31-2 胶管 Rubber hose 1
7 20A0162 管夹 Pipe clamp 2
8 37A0054 扶手 Handrail 2
9 00B0017 GB5783-86 螺栓 Bolt M12×30-8.8-Zn.D 8
10 06B0008 GB93-87 垫圈 Washer 12 9
11 23A0609 支撑板 Supporting plate 2
12 45D0029 右防护罩 Right protecting
hood 1
13 00B0031 GB5783-86 螺栓 Bolt M12×20-8.8-Zn.D 1
14 20A2649 管夹 Pipe clamp 1
15 00B0094 GB5783-86 螺栓 Bolt M16×45-8.8-Zn.D 4
16 06B0015 GB93-87 垫圈 Washer 16 4
17 06B0012 GB97.1-85 垫圈 Washer 16-140HV-Zn.D 4
18 12B0373 GB3452.1-92 O 形圈 O-ring 30×2.65 2
19 12B0245 GB3452.1-92 O 形圈 O-ring 20×1.8 2
20 09C0236 卡箍 Clamp φ20-φ32 2
21 00B0007 GB5783-86 螺栓 Bolt M8×16-8.8-Zn.D 8
22 06B0006 GB93-87 垫圈 Washer 8 10
23 06B0005 GB97.1-85 垫圈 Washer 8-140HV-Zn.D 12
24 03B0021 GB6170-86 螺母 Nut M8-8-Zn.D 10
25 00B0085 GB5783-86 螺栓 Bolt M8×25-8.8-Zn.D 2
26 09C0232 卡箍 Clamp φ12-φ20 1
27 37B0010 ZD300X8 扎带 Tape 4.8×300 2
28 11B0067 胶管 Rubber hose 1
29 32A0203 上水管 Water pipe 1
30 09C0245 卡箍 Clamp φ70-φ75 2
31 11B0020 胶管 Rubber hose 1
32 09C0237 卡箍 Clamp φ65-φ70 2
33 10D0797 下水管 Down pipe 1
216
34 45D0030 左防护罩 Left protecting
hood 1
35 06B0007 GB97.1-85 垫圈 Washer 12-140HV-Zn.D 8
36 20C0117 排风装置 Vent device 1
