CLG842 22E0317 驾驶室线路 Cab Wiring
CLG842 22E0317 驾驶室线路 Cab Wiring

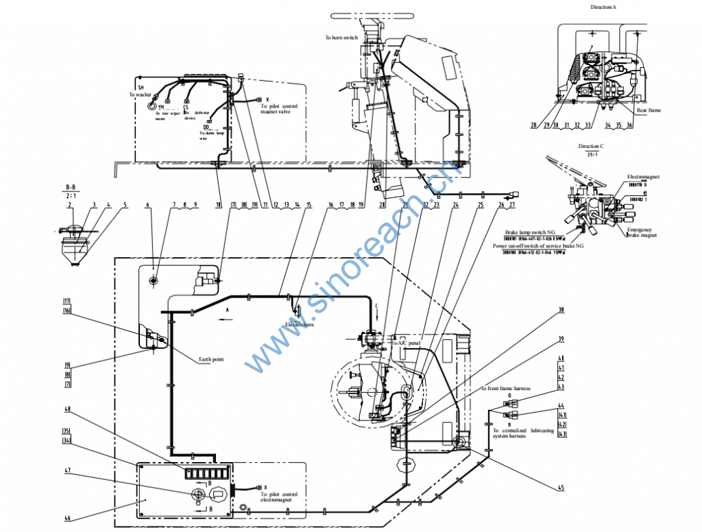
1
84A0320 电锁钥匙孔护套 Keyhole sheath of
electric lock 1
2 34B0118 JK412A 电锁 Electric lock 1
3 37B0010 ZD300X8 扎带 Tape 1
4 83A0192 护套 Sheath 1
5 37B0004 ZD2005 尼龙扎带 Nylon tape 1
6 85A0283 控制箱罩 Control box hood 1
7 06B0219 GB93-87 垫圈 Washer 8-Zn.D(黑色 black) 3
8
06B0218 GB97.1-85 垫圈
Washer 8-140HV-Zn.D( 黑 色
black) 3
9
00B0336 GB5783-86 螺栓
Bolt M825-8.8-Zn.D( 黑 色
black) 3
10 83A0273 护孔圈 Gromment 1
11 83A0148 护孔圈 Gromment 1
12
34B0203 ZB2BT4C 按拉式蘑菇头开关
Pull type
mushroom head
switch 1
13
34B0204 ZB2101C 按钮座带常开触头块
Pushbutton socket
with full open
contact 1
14 34B0205 ZB2BE101C 常开触头块 Full open contact 1
15 08C0796 驾驶室线束 Cab harness 1
16 00B0007 GB5783-86 螺栓 Bolt M816-8.8-Zn.D 2
17 06B0006 GB93-87 垫圈 Washer 8 2
18 38B0011 DL223G 电喇叭 Electric horn 1
19 34B0146 KGXDF 先导阀开关 Pilot valve switch 1
20 83A0262 护孔圈 Gromment 1
21
34B0098 JK939-028 前大灯开关 Front headlamp
switch 1
22
34B0077 9732400 组合开关
Combination
switch 1
23
04B0292 GB819-85 螺钉
Screw M410-4.8-Zn.D(黑色
black) 2
24 83A0271 护孔圈 Gromment 1
25 04B0293 GB819-85 螺钉 Screw M416-4.8-Zn.D(黑色
black) 5
26
46C0716 仪表总成
Instrument
assembly 1
27
46C0718 英文 仪表总成
Instrument
assembly 1
28
46C0642 控制板总成 Control panel
ssembly 1
29 82A0233 盖板 Cover plate 1
30 83A0272 护孔圈 Gromment 1
208
31 04B0099 GB818-85 螺钉 Screw M416-4.8-Zn.D 2
32 06B0022 GB93-87 垫圈 Washer 4 2
33 06B0097 GB97.1-85 垫圈 Washer 4-140HV-Zn.D 2
34
04B0256 GB818-85 螺钉
Screw M616-4.8-Zn.D( 黑 色
black) 8
35
06B0247 GB97.1-85 垫圈
Washer 6-140HV-Zn.D (黑色
black) 8
36 82A0227 盖板 Cover plate 1
37 83A0276 胶套 Bushing 1
38 37B0061 DY210 点烟器 Cigarette lighter 1
39
34B0145 KGYG50G 翘板组合开关
Rocker combined
switch 1
40
20A2272 GT插接件固定板 GT plug-in fixed
plate 1
41 00B0022 GB5783-86 螺栓 Bolt M616-8.8-Zn.D 2
42 06B0003 GB93-87 垫圈 Washer 6 2
43 06B0024 GB97.1-85 垫圈 Washer 6-140HV-Zn.D 2
44 20A2419 插接件固定板 Plug-in fixed plate 1
45 83A0274 护孔圈 Gromment 1
46 36D0136 安装板 Mounting plate 1
47
35B0038
700RN00101
248D2060A 计时器
Timer
1
48
34B0202 KGD40GI 翘板组合开关
Rocker combined
switch 1
