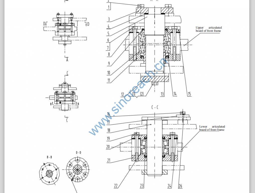
CLG842 30E0017 铰接总成 Articulated Assembly
CLG842 30E0017 铰接总成 Articulated Assembly

1 01B0209 GB5782-86 螺栓 Bolt M16x50-10.9-Zn.D 6
2 52A0060 8T4122 淬硬垫圈 Quench
hardening washer
6
3 52A0057 压板 Pressboard 1
4 34C0063 垫片 Gasket 2组 set
5 60A0181 上铰销 Upper hinge pin 1
6 01B0208 GB5782-86 螺栓 Bolt M12x120-10.9-Zn.D 6
7 06B0176 5P8245 淬硬垫圈 Quench
hardening washer
12
8 34C0061 调整垫片 Adjusting shim 1组 set
9 13B0085 GB9877.1-88 唇形密封圈 Lip seals B80x100x10 1
10 23B0020 GB297-84 圆锥滚子轴承 Tapered roller
bearing
7514E 2
11 53A0129 轴承盖 Bearing cap 1
12 52A0056 压板 Pressboard 1
13 55A0303 隔套 Spacer bush 1
14 13B0087 GB9877.1-88 唇形密封圈 Lip seals B85x110x12 1
15 53A0128 轴承盖 Bearing cap 1
16 00B0017 GB5783-86 螺栓 Bolt M12x30-8.8-Zn,D 1
17 55A0260 垫板 Template 1
18 11D0081 下铰销 Lower hinge pin 1
19 01B0166 GB5782-86 螺栓 Bolt M12x90-10.9-Zn.D 6
20 34C0062 调整垫片 Adjusting shim 1组
21 53A0131 轴承盖 Bearing cap 1
22 23B0015 GB297-84 圆锥滚子轴承 Tapered roller
bearing
7212E 2
23 13B0086 GB9877.1-88 唇形密封圈 Lip seals B60x80x8 2
24 53A0130 轴承盖 Bearing cap 1
25 10B0014 GB1152-89 油杯 Oil cup M10x1 2
26 06B0008 GB93-87 垫圈 Washer 12 1
