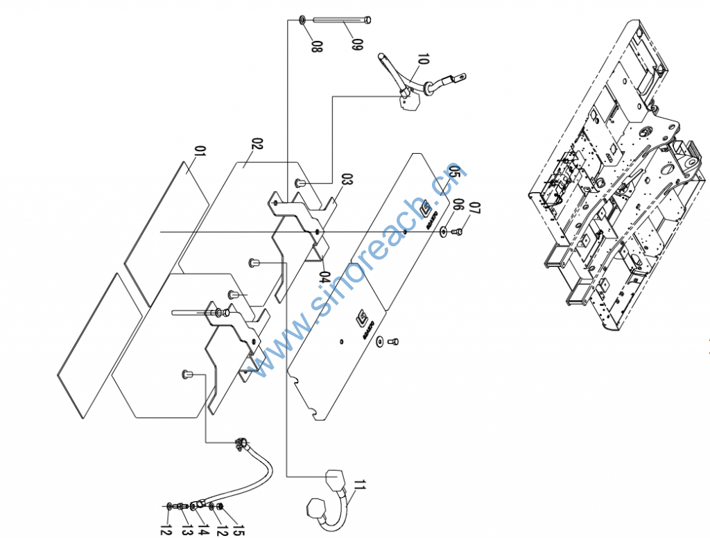
CLG920E/922E 46C9369(A) 车架线路总成(A) FRAME WIRING AS(A)
CLG920E/922E 46C9369(A) 车架线路总成(A) FRAME WIRING AS(A)

1 82A0285 001 蓄电池垫 CUSHION 2
2 37B0108 004 蓄电池 BATTERY 2
3 82A0284 002 蓄电池上垫板 PLATE 2
4 00D9374 000 安装板 MOUNTING PLATE 2
5 82A1328 000 盖板 COVER 2
6 06B0030 000 垫圈 WASHER 2
7 00B0005 000 螺栓 BOLT 2
8 06B0001 000 垫圈 WASHER 4
9 01B0205 000 螺栓 BOLT 4
10 08C6980 001 蓄电池正极电缆 BATTERY CABLE(+) 1
11 08C6981 000 连接电缆 CABLE 1
12 06B0498 000 垫圈 WASHER 2
13 05B0163 000 双头螺柱 STUD BOLT 1
14 08C6982 000 蓄电池负极电缆 BATTERY CABLE(-) 1
15 03B1180 000 螺母 NUT 1
