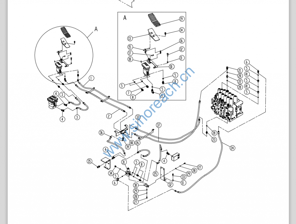
CLG920E/922E 12Y0084 001 附属装置先导管路 ATTACHMENTPILOTLINES
CLG920E/922E 12Y0084 001 附属装置先导管路 ATTACHMENTPILOTLINES

1 05C3212 000 软管总成 HOSE AS 1
2 05C3205 000 软管总成 HOSE AS 1
3 05C3036 000 软管总成 HOSE AS 2
4 32C0503 000 三通接头 TEE 4 SCC-16
5 12B0428 002 O 形圈 O-RING 11 JISB2401-P11
6 31C0558 003 直角接头 CONNECTOR 3
7 30C0803 000 滤网接头 FITTING 1 AST30C0710415
8 00A3491 002 接头 CONNECTOR 4
9 12C0256 001 脚先导阀 FOOT PILOT VALVE 1 Z RCV8C1090
10 00D1031 002 支架 BRACKET 1
11 06B0002 000 垫圈 WASHER 4
12 00B0019 000 螺栓 BOLT 2
13 00D1032 002 脚踏 PEDAL 1
14 04B0412 000 螺钉 SCREW 2
15 16D0156 004 杆 ROD 1
16 10B0072 000 弹簧 SPRING 1
17 08B0116 000 销轴 PIN 1
18 08B0004 000 销 PIN 1
19 84A0365 001 脚踏胶套 RUBBER PEDAL 1
20 12B0429 002 O 形圈 O-RING 3 JISB2401-P14
21 31C0559 002 直角接头 CONNECTOR 1
22 00A4219 000 过渡接头 CONNECTOR 1
23 00A3498 002 接头 CONNECTOR 1
24 05C3322 000 软管总成 HOSE AS 2
25 05C2492 002 软管总成 HOSE AS 1
26 05C3136 001 软管总成 HOSE AS 1
27 00B0075 000 螺栓 BOLT 4
28 06B0006 000 垫圈 WASHER 4
29 06B0005 000 垫圈 WASHER 4
30 22A5152 000 弯板 PLATE 1
31 12C0401 001 电磁阀 SOLENOID VALVE 1 Q
32 02D6924 001 支架 BRACKET 1
33 00B0012 000 螺栓 BOLT 2
34 05A0075 001 螺塞 PLUG 1
35 30C1309 000 隔板接头 SPACER CONNECTOR 1
36 05C3332 000 软管总成 HOSE AS 1
37 05C3356 000 软管总成 HOSE AS 2
39 31C0962 000 直角接头 CONNECTOR 1 S2C9-16W
40 12C1999 000 梭阀 SHUTTLE VALVE 1 SH121-2800
41 00A0761 002 过渡接头 CONNECTOR 2
