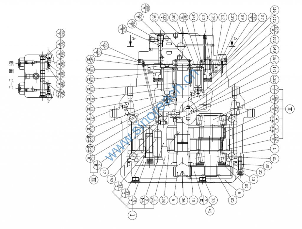
CLG920E/922E 11C0887 000 行走马达及减速机 TRAVEL MOTOR&REDUCTION GEAR
CLG920E/922E 11C0887 000 行走马达及减速机 TRAVEL MOTOR&REDUCTION GEAR




1 70A0241 001 轮毂 HUB 1 719B1001-00
2 70A0745 000 壳体 HOUSING 1
671B1002-05
3 04A2503 法兰块 HOLD FLANGE 1
4 41A0428 齿轮 RV GEAR A 1
5 41A0429 齿轮 RV GEAR B 1
6 41A0431 齿轮 INPUT-GEAR 1
7 41A0430 齿轮 SPUR-GEAR 3
8 53A0666 000 端盖 COVER 1 671B1008-03
9 62A0523 000 轴 SHAFT 3
671B1009-01
12 56A2681 000 垫片 GASKET 6
671B1012-03
13 56A0561 000 定距块 BLOCK 3 671B1013-02
15 34C0879 000 联轴器 COUPLING 1 50F1024-00
17 60A1126 000 销子 PIN 24 671B1017-00
19 04B0912 000 螺钉 SCREW 3
671B1019-00
20 07B0533 000 挡圈 SNAP RING 3
2804-95
21 26B0195 000 角接触球轴承
ANGULAR CONTACT
BRG 2
SA0355
22 23B0194 000 圆锥滚子轴承 TAP. ROLLER BRG 6
671B1022-00
23 26B0196 000 滚针轴承 NEEDLE BEARING 6
671B1023-01
25 07B0534 000 挡圈 RETAINING-RING OF
SHAFT USE 3
27 12B0531 000 O 形圈 O-RING 2 2401-P8-90
29 12B0532 O 形圈 O-RING 1
31 12B1941 000 浮动密封 FLOATING SEAL 2
ES100-336-A6
27
33 05A0364 000 堵头 PLUG 3
34 66A0412 000 销 PIN 6
671B1034-01
35 04B0630 000 内六角螺钉 HEX SCREW 12
JB1176M12*30
-12L
36 20B0252 钢球
STEEL BALL FOR
BALL-BEARING 1
37 07B0535 000 垫圈 WASHER 3
671B1037-00
42 66A0135 000 定位销 DOWEL PIN 2 671B2077-01
43 12B0534 000 O 形圈 O-RING 3 2401-P18-90
102 62A0084 000 马达轴 SHAFT 1 671B2002-00
103 52A0363 000 斜盘 SWASH PLATE 1 671B2003-01-C
104 13D1035 000 缸筒 CYLINDER BODY 1 671B7204-00
105 50A0611 000 活塞 PISTON 1 671B2005-02
106 56A2669 000 滑靴 SHOE 1 671B2006-01
107 52A1100 000 回程盘 RETURN PLATE 1 671B2007-00
108 20B0251 000 止推球 THRUST BALL 1 671B2008-00
109 52A1101 000 圆盘 DISK 1 671B7209-00
110 06B0665 000 垫圈 WASHER 2 80W0015-01
111 56A2682 000 环 RING 1 671B2011-01
112 50A0224 000 柱塞 PISTON 1 671B4012-02
113 75A0308 000 弹簧 SPRING 12 671B4013-00
114 75A0922 000 弹簧 SPRING 1 671B2014-02
115 57A0294 000 摩擦片 FRICTION PLATE 2 671B4015-00
116 57A0295 000 啮合片 PLATE 2 120F2016-00
132 80A0358 000 油封 OIL SEAL 1 TCN-38×58×11
135 12B0535 000 O 形圈 O-RING 1 671B4035-00
139 12B0536 000 O 形圈 O-RING 1 671B4039-00
145 76A0674 000 挡圈 SNAP RING 1 2804-62
149 41C0157 000 轴承 BEARING 1 671B2048-00
150 21B0089 000 球轴承 BALL BEARING 1 671B2049-00
151 20B0250 000 滚针 ROLLING NEEDLE 5
1506-3.5*27.8
F
161 50A0614 000 柱塞 PLUNGER 1 401B2071-01-A
162 56A2684 000 滑靴 SHOE 1 400B2072-01
167 61A0705 000 枢轴 PIVOT 2 671B2076-02
193 75A0309 000 弹簧 SPRING 1 401B2093-00
201 12C3520 000 阀门 VALVE 1 671B3002-02
202 39A1002 000 套筒 SOCKET 1 671B3003-03
203 55A5319 000 弹簧座 SPRING HOLDER 1 671B3004-01
204 05A0980 000 螺塞 PLUG 1 671B3005-00
205 57A1039 000 薄垫片 SHIM 1 247B3006-00
206 75A0921 000 弹簧 SPRING 1 671B3008-01
208 83A1594 O 形圈 O-RING 1
209 83A1595 000 O 形圈 O-RING 1 2401-P22-90
211 56A2676 000 挡圈 BACKUP RING 2 2407-T2-P16
217 56A2677 000 挡圈 BACKUP RING 2 2407-T2-P22
219 12B1920 000 O 形圈 O-RING 1 2401-P29-90
220 80A0952 000 密封圈 SEAL RING 1
SPGO7.5-10.5-
1.5
301 04A2505 000 法兰 FLANGE 1 698B4001-00
323 65A0563 000 阀芯 SPOOL 1 671B4050-01-B
324 05A0412 000 堵头 PLUG 2 100A2051-00
325 56A0562 000 止动块 BLOCK 2 140F2052-00-A
326 05A0413 000 堵头 PLUG 2 120F2053-00
327 12C1166 000 阀 VALVE 2 120F2054-00
328 75A0306 000 弹簧 SPRING 2
330 10B0320 000 弹簧 SPRING 2 120F2055-00
336 12B0541 O 形圈 O-RING 2
337 12B0537 O 形圈 O-RING 2
341 66A0411 000 平销 PLAIN PIN 1 STP1354-614 343 04B0907 000 内六角螺钉 HEX SCREW 12 HJB1176M1640
-12
346 05A0414 000 堵头 PLUG 2 GM-1/4-K-S
352 05A0415 000 堵头 PLUG 2 512B2021-00
354 04B0509 000 内六角螺钉 HEX SCREW 7
358 12B1919 O 形圈 O-RING 2
359 12B0538 O 形圈 O-RING 2
363 65A0218 000 阀芯 SPOOL 1 678B4069-00
366 75A0307 000 弹簧 SPRING 1 678B4089-00
368 20B0249 钢球 STEEL BALL 2
379 15C0147 000 滤油器 FUEL FILTER 1 263B2079-01
380 05A0361 000 堵头 PLUG 2
381 50A0613 000 柱塞 PLUNGER 1 682B4081-00-A
382 05A0416 000 堵头 PLUG 2 682B4082-00
383 12B0540 O 形圈 O-RING 2
385 20B0248 钢球 STEEL BALL 2
398 04B0508 000 内六角螺钉 HEX SCREW 4
399 74A6530 铭牌 NAME PLATE 1
A 12C1171 000 阀组件 VALVE GP 1
671B3100-03-0
A
A 15C0172 000 缸体组件 CYLINDER BODY GP 1 671B2205-00
A 34C0871 000 主轴组件 MAIN SHAFT GP 1 671B1102-05
A 34C0872 000 主轴组件 MAIN SHAFT GP 1 671B1132-05
A 34C0889 000 后法兰组件 FLANGE GP 1 698B4100-00-B
A 34C0890 000 后法兰组件 FLANGE GP 1 698B4101-00-B
A 34C2595 000 柱塞组件 PISTON GP 9 671B2040-03
A 42C0159 002 减速机组件 REDUCTION GEAR GP 1 730B1000-00
A 45E1430 修理包 RV-GEAR KIT 1
A 52B0222 000 密封包 SEAL KIT 1 671B2105-03
B 34C2594 齿轮组件 RV-GEAR ASS’Y 1
B 15C0173 000 柱塞组件 PISTON GP 1 401B2070-00-A
B 11C0535 001 马达组件 MOTOR GP 1 671B2000-00-C
C 34C0874 000 正齿轮组件 SPUR GEAR GROUP 1 681B1107-01
C 12C1167 001 溢流阀 RELIEF VALVE 2 671B3000-03
D 99C2254 000 密封包 SEAL KIT 1
ES100-336*368
*40.8-A627
D 12C1165 001 控制阀组件 CONTROL VALVE GP 1 698B4000-00-B
