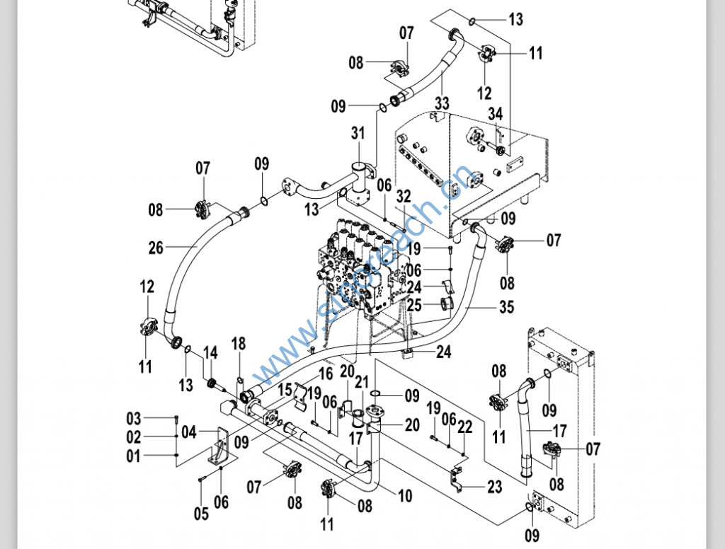
CLG920E/922E 15E1097(G) 回 油 系 统配管 MAIN HYDRAULIC SYSTEM-RETURN OIL SYSTEM PIPING
CLG920E/922E 15E1097(G) 回 油 系 统配管 MAIN HYDRAULIC SYSTEM-RETURN OIL SYSTEM PIPING

01 06B0001 000 垫圈 WASHER 2
02 06B0002 000 垫圈 WASHER 2
03 00B0029 000 螺栓 BOLT 2
04 00D8901 000 支架 BRACKET 1
05 01B0010 000 螺栓 BOLT 2
06 06B0008 000 垫圈 WASHER 10
07 04B0424 000 螺钉 SCREW 20
08 04A0251 001 法兰压板 SPLIT FLANGE 7
09 12B0446 001 O 形圈 O-RING 7
10 10D8684 000 钢管总成 TUBE AS 1 P 09D0591
10 09D0591 000 钢管总成 TUBE AS 1
11 04B0702 000 螺钉 SCREW 16
12 04A0189 001 法兰压板 SPLIT FLANGE 2
13 12B0447 001 O 形圈 O-RING 3
14 12C2153 001 单向阀 CHECK VALVE 1
15 10D5027 000 钢管总成 TUBE AS 1
16 17D0684 000 管夹 CLAMP 1
17 07C2344 000 软管总成 HOSE AS 2
18 12B1419 000 O 形圈 O-RING 1
19 00B0035 000 螺栓 BOLT 4
20 22A3589 000 管夹 CLAMP 2
21 83A1152 000 橡胶套 BOOT 1
22 06B0007 000 垫圈 WASHER 2
23 00D5237 000 支架 BRACKET 1
24 21A6343 000 管夹 CLAMP 2
25 83A1151 000 橡胶套 BOOT 1
26 07C2343 000 软管总成 HOSE AS 1
31 09D0587 000 钢管总成 TUBE AS 1
31 10D5007 000 钢管总成 TUBE AS 1 09D0587
32 01B0142 000 螺栓 BOLT 4
32 01B0160 000 螺栓 BOLT 4 01B0142
33 07C2342 001 软管总成 HOSE AS 1
34 12C2152 001 单向阀 CHECK VALVE 1
35 07C3497 000 软管总成 HOSE AS 1 N1 07C4586
35 07C4586 000 软管总成 HOSE AS 1
36 00B0058 000 螺栓 BOLT 2
