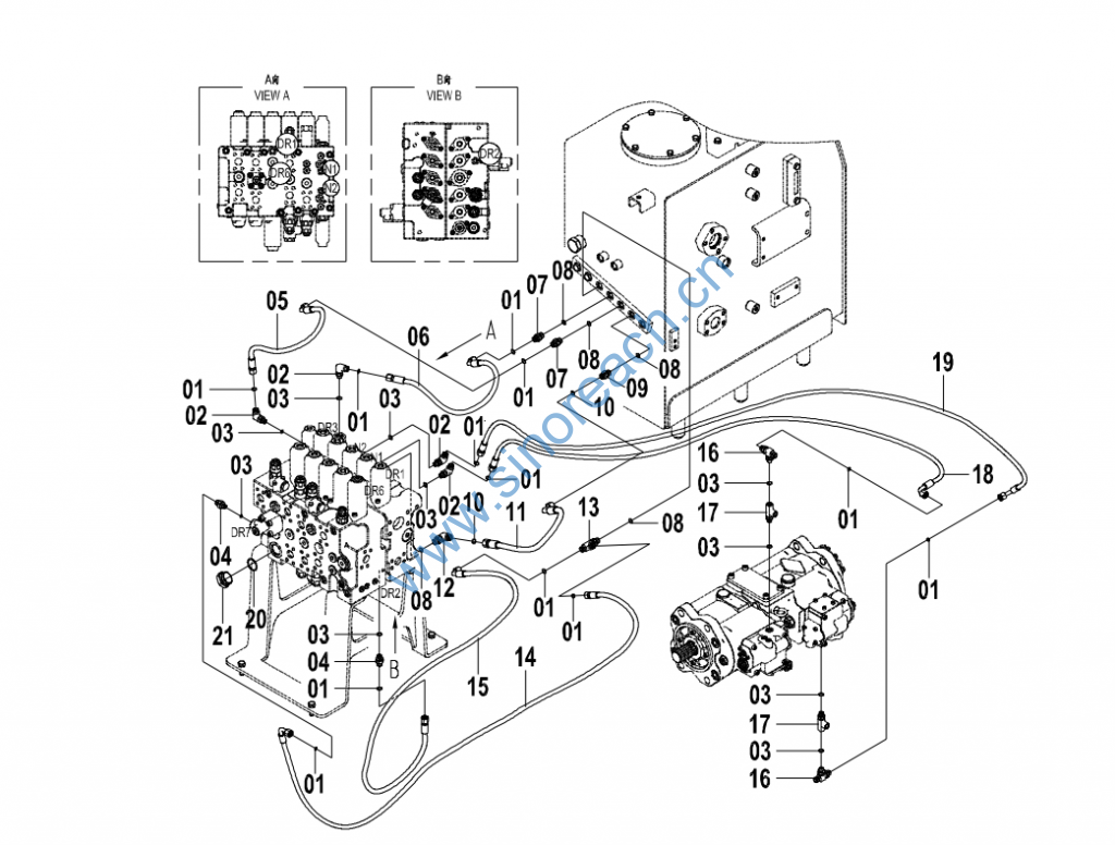
CLG920E/922E 15E1097(E) 主控阀配管 D MAIN HYDRAULIC SYSTEM-MAIN CONTROL VALVE PIPINGS
CLG920E/922E 15E1097(E) 主控阀配管 D MAIN HYDRAULIC SYSTEM-MAIN CONTROL VALVE PIPINGS

01 12B1406 000 O 形圈 O-RING 12
02 31C0558 003 直角接头 CONNECTOR 4
03 12B0428 002 O 形圈 O-RING 10
04 00A3491 002 接头 CONNECTOR 2
05 05C3324 000 软管总成 HOSE AS 1
06 05C3323 000 软管总成 HOSE AS 1
07 00A3498 002 接头 CONNECTOR 2
08 12B0429 002 O 形圈 O-RING 5
09 00A4476 000 接头 CONNECTOR 1
10 12B1407 000 O 形圈 O-RING 2
11 06C6507 000 软管总成 HOSE AS 1
12 31C0999 000 直角接头 CONNECTOR 1
13 32C0414 001 三通接头 TEE 1
14 05C3322 000 软管总成 HOSE AS 1
15 05C3109 001 软管总成 HOSE AS 1
16 12C2000 001 梭阀 SHUTTLE VALVE 2
17 32C0529 000 三通接头 TEE 2
18 05C3316 000 软管总成 HOSE AS 1
19 05C3317 000 软管总成 HOSE AS 1
20 20V0432 000 O 形圈 O-RING 1
21 05A0163 001 螺塞 PLUG 1
