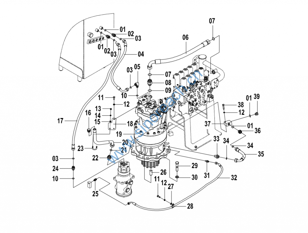
CLG920E/922E 15E0575(F) 回转马达及减速机配管 MAIN HYDRAULIC SYSTEM-SWING MOTOR & REDUCTION PIPINGS
CLG920E/922E 15E0575(F) 回转马达及减速机配管 MAIN HYDRAULIC SYSTEM-SWING MOTOR & REDUCTION PIPINGS

01 12B0430 002 O 形圈 O-RING 4
02 00A3497 002 接头 CONNECTOR 2
03 12B1409 000 O 形圈 O-RING 4
04 06C6501 000 软管总成 HOSE AS 1
05 31C0998 000 直角接头 CONNECTOR 1
06 07C2182 000 软管总成 HOSE AS 1
07 12B1416 000 O 形圈 O-RING 2
08 00A3492 002 接头 CONNECTOR 1
09 12B0431 001 O 形圈 O-RING 1
10 12B0429 002 O 形圈 O-RING 2
11 00B0012 000 螺栓 BOLT 2
12 06B0002 000 垫圈 WASHER 3
13 03B0021 000 螺母 NUT 2
14 06B0006 000 垫圈 WASHER 2
15 06B0005 000 垫圈 WASHER 2
16 53A1128 000 封盖 CAP 1
17 06C6500 000 软管总成 HOSE AS 1
18 22A3588 000 弯板 PLATE 1
19 11C0587 003 回转马达及减速机
SWING
MOTOR&REDUCTION
GEAR
1 Z
20 10D5013 000 钢管总成 TUBE AS 1
21 12B1413 000 O 形圈 O-RING 1
22 00A4467 000 接头 CONNECTOR 1
23 02B0330 000 U 形螺栓 U-BOLT 1
24 00A3500 002 接头 CONNECTOR 1 Q
25 00A0204 002 接头 CONNECTOR 1
26 66A0005 001 定位销 DOWEL PIN 1
27 06B0001 000 垫圈 WASHER 1
28 20A1853 001 线夹 CLIP 1
29 01B0502 000 螺栓 BOLT 11
30 06B0210 001 淬硬垫圈 HARD WASHER 11
31 00A0882 001 接头 CONNECTOR 1
32 05C3321 000 软管总成 HOSE AS 1
33 00A3841 001 接头 CONNECTOR 1
34 12B1411 000 O 形圈 O-RING 2
35 06C6506 000 软管总成 HOSE AS 1
36 00A3846 001 接头 CONNECTOR 1
37 03A0838 000 接头块 BLOCK 1
38 00B0048 000 螺栓 BOLT 1
39 05A0079 001 螺塞 PLUG 1
