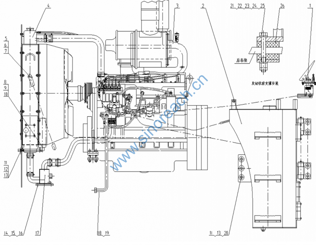
LW500F 发动机系统 9103440 Engine System
LW500F 发动机系统 9103440 Engine System

1 9329801 油门操纵 Accelerator 1
2 9369727 燃油箱 Fuel Tank Assembly 1
3 5005562 发动机 Engine 1 D9-220
4 5005557 水箱 Water Radiator 1 XGSX01-78
5 4005067 螺栓 M12X30 Bolt 4 GB5783-86
6 4404010 垫圈 12 Washer 4 GB97.1-85
7 4401009 垫圈 12 Washer 4 GB93-87
8 5003040 接头 Joint 2
9 9362955 软管总成 Hose 1
10 9362956 软管总成 Hose 1
11 4005098 螺栓 M16X45 Bolt 11 GB5783-86
12 4404012 垫圈 16 Washer 4 GB97.1-85
13 4401011 垫圈 16 Washer 11 GB93-87
14 4005053 螺栓 M10X25 Bolt 4 GB5783-86
15 4404009 垫圈 10 Washer 4 GB97.1-85
16 4401008 垫圈 10 Washer 4 GB93-87
17 5004394 双变油散 Oil Radiator 1 XGYS01-13
18 9363258 压缩机出气管 Air Pipe 1
19 9301795 垫 Seal Washer 2
20 4403009 垫圈 16 Washer 7 GB96-85
21 4004059 螺栓 M14X110 Bolt 4 GB5782-86
22 4404011 垫圈 14 Washer 4 GB97.1-85
23 4401010 垫圈 14 Washer 4 GB93-87
24 4303011 螺母 M14 Nut 4 GB6172-86
25 4301011 螺母 M14 Nut 4 GB6170-86
26 9369476 减震器组件 Absorber 2
