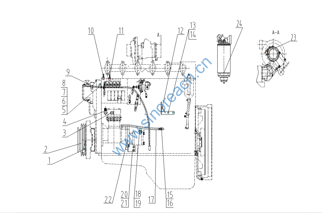
S00016139 变型配套组件 PARTS GROUP, ENGINE APPLICATION
S00016139 变型配套组件 PARTS GROUP, ENGINE APPLICATION

1 B00002017 六角法兰面螺栓 HEXAGON BOLTS WITH FLANGE-SMALL SERIES 4 Q/SC622-M10*55-10.9
2 D00-108-71 曲轴前端带轮 PULLEY, CRANKSHAFT 1
3 D00-160-20 空压机排气接头 JOINT, AIR OUTLET PIPE-AIR COMPRESSOR 1
4 D00-105-20 弯管接头 JOINT ELBOW 1
5 D00-138-04 夹箍 CLAMP 1
6 D00-143-28 支架 BRACKET 1
7 B00002137 六角法兰面螺栓 HEXAGON BOLTS WITH FLANGE-SMALL SERIES 1 Q/SC622-M8*25
8 D00-140-01 垫块 SPACER 1
9 T00-037-01 油尺及油尺接管部件 OIL DIPSTICK AND TUBE ADAPTER ASSY 4
10 D04-151-30 放气接头 BLEEDING JOINT 1
11 D00-163-08 取暖水接头 JOINT, WARM WATER OUTLET FROM ENGINE 1
12 D00-037-10 操纵杆支架焊接部件 BRACKET ASSY (WELDED), CONTROL LEVER 1
13 B00002134 六角法兰面螺栓 HEXAGON BOLTS WITH FLANGE-SMALL SERIES 2 Q/SC622-M8*20
14 B00001253 标准型弹簧垫圈 SPRING WASHER 2 GB/T93-8
15 B00002177 铰接螺栓 BANJO BOLT 2 Q/SC642.1-01-M10*1
16 B00001545 复合式密封硬垫圈 RUBBER COATED HARD WASHER 4 Q/SC1294-10
17 D00-106-11 空压机进油管 OIL INLET PIPE, AIR COMPRESSOR 1
18 D00-299-01 转向泵出油过渡接头 OIL OUTLET JOINT ADAPTER, STEERING PUMP 1
19 B00001837 铜垫圈 COPPER WASHER 1 Q/SC598-20*30
20 B00001996 六角法兰面螺栓 HEXAGON BOLTS WITH FLANGE-SMALL SERIES 2 Q/SC622-M10*20
21 D00-101-40A 空压泵支架 BRACKET, AIR COMPRESSOR 1
22 D02B-115-01A 转向泵垫片 GASKET, STEERING PUMP 1
23 D13-001-01 夹箍部件 CLAMP 1
24 D00-034-07 油水分离器部件 WATER/FUEL SEPARATOR ASSY 1
