D06B-000-34 飞轮组件 FLYWHEEL GROUP
D06B-000-34 飞轮组件 FLYWHEEL GROUP

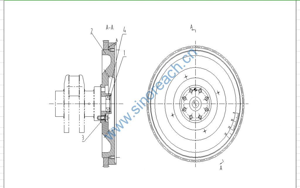
1 B00001045 孔用弹性挡圈-A型 RING RETAINER FOR HOLE (TYPE A) 1 GB/T893.1-62
2 D06B-001-31 飞轮与启动齿圈装配部件 FLYWHEEL AND RING GEAR ASSY 1
3 D06B-108-30 飞轮螺栓 FLYWHEEL BOLT 8
4 B00000234 滚动轴承 BUSHING 1 GB/T276-6305-2RS
