957.18 电气系统 Electrical System
957.18 电气系统 Electrical System

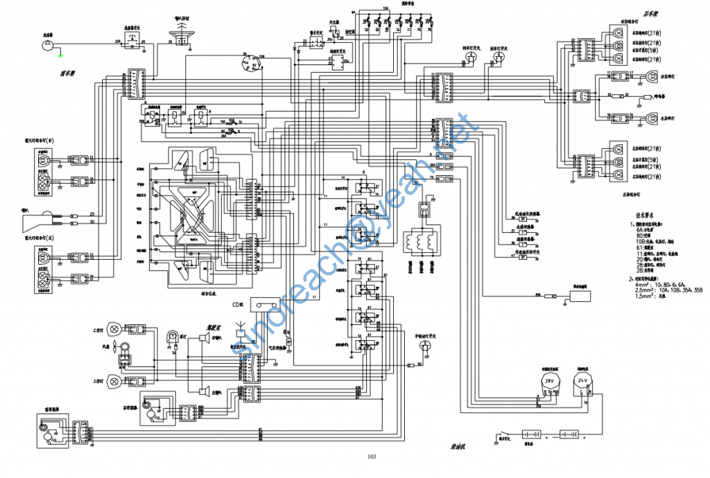
1 W-06-00148 1 蓄电池|115E41R Battery 2 9570001-
2 W-06-00061 1 闪光器|JSG252C Flash relay 1 9570001-
3 W-11-00104 1 电源开关|K01K18-A Knife switch 1 9570001-
4 W-06-00304 1 保险丝盒|HG-4735-8 Fuse box 1 9570001-
5 W-06-00307 1 保险丝|C-20A Fuse 20A 6 9570001-
6 W-06-00306 1 保险丝|C-10A Fuse 10A 2 9570001-
7 W-06-00268 1 保险丝盒|BX2022/50A Fuse 1 9570001-
8 W-06-00053 1 喇叭|DL229G Horn 1 9570001-
9 W-05-00060 前组合大灯|HD200X110 Front lamp 2 9570001-
10 W-06-00314 1 组合仪表|ZJB2007-02 Portfolio Instruments 1 9570001-
11 W-11-00039 1 按钮开关|LA42P-20/G Button switch 1 9570001-
12 W-06-00311 1 继电器|MZJ50A/006 Relay 1 9570001-
13 W-12-00143 1 自粘式吸盘|TM30 Acetabulu 9 9570001-
14 W-11-00047 1 转向灯开关|JK802A Steering lamp switch 1 9570001-
15 W-06-00069 1 收放机天线|YT3480 Antenna 1 9570001-
16 W-06-00068 1 收放机喇叭|4MB1 Speaker 2 9570001-
17 W-09-00069 1 后雨刷器|ZD2330C/Z50E-3 Rear wiper 1 9570001-
18 W-09-00104 1 洗涤器|XD205 Scrubbers 1 9570001-
19 W-06-00147 1 CD 机|YX-24 CD Machinery 1 9570001-
20 W-06-00047 1 继电器|JD2914J Relay 1 9570001-
21 W-06-00310 1 继电器|MZJ100A/006 Relay 1 9570001-
22 W-11-00010 1 开关|JK931 Switch 1 9570001-
23 W-05-00028 1 照灯|202 Working lamp 2 9570001-
24 W-05-00015 1 后组合灯|XHYJKJ24-101 Rear group lamp 2 9570001-
25 W-09-00037 1 雨刷器|MFD190 Wiper 1 9570001-
26 W-09-00001 1 风扇|756720C Fan 1 9570001-
27 W-05-00009 1 工作灯|201 Working lamp 2 9570001-
28 W-05-00002 1 顶灯|NZ1-4 Tip lamp 1 9570001-
29 W-06-00034 1 二极管|1N4007 Transistor diode 2 9570001-
30 W-06-00163 1 蜂鸣器|GPS-86T20B-1M Buzzer 1 9570001-
31 W-11-00069 1 按钮|LA42PS-20/R Button switch 1 9570001-
32 W-11-00070 1 开关组件|JK931/Z40H Combine switch 1 9570001-
·仪表灯开关 Meter lamp switch 1 9570001-
·前照灯开关 Front lamp switch 1 9570001-
·后照灯开关 Rear lamp switch 1 9570001-
·工作灯开关 Working lamp switch 1 9570001-
·风扇开关 Fan switch 1 9570001-
·前雨刷器开关 Front wiper switch 1 9570001-
·后雨刷器开关 Rear wiper switch 1 9570001-
