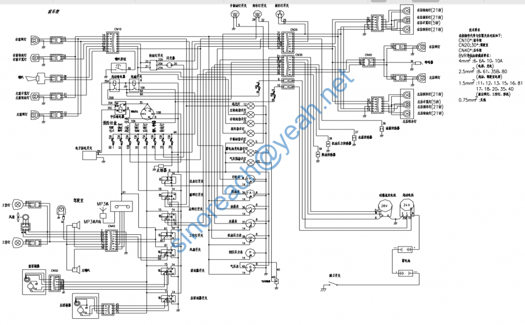
956.18A 电气系统 Electrical System
956.18A 电气系统 Electrical System

1 W-06-00148 3 蓄电池|115E41R Battery 2 9560007-
2 W-05-00080 3 右前组合大灯|QD230×110(R) Front headlamps 1 9560007-
3 W-11-00104 3 电源开关|K01K18-A Knife switch 1 9560007-
4 W-06-00053 3 喇叭|DL229G Horn 1 9560007-
5 W-05-00079 3 左前组合大灯|QD230×110(L) Left headlight 1 9560007-
6 W-06-00419 3 组合仪表|ZJB2009-02/956 Portfolio Instruments 1 9560007-
7 W-12-00143 3 自粘式吸盘|TM30 Acetabulu 6 9560007-
8 W-11-00010 3 开关|JK931 Switch 1 9560007-
9 W-05-00028 3 照灯|202 Working lamp 2 9560007-
10 W-05-00015 3 后组合灯|XHYJKJ24-101 Rear group lamp 2 9560007-
11 W-09-00117 3 雨刷器|ZD2330C/Z40H Wiper 1 9560007-
12 W-09-00001 3 风扇|756720C Fan 1 9560007-
13 W-05-00009 3 工作灯|201 Working lamp 2 9560007-
14 W-05-00066 3 顶灯|0814112410 Tip lamp 1 9560007-
15 W-06-00039 3 蜂鸣器|DF204 Buzzer 1 9560007-
16 W-06-00320 3 工簧片|DT622-T-6.3B Public reed 24 9560007-
17 W-06-00302 3 气压传感器|YG901C2 Air pressure sensor 1 9560007-
18 W-06-00301 3 温度传感器|WDG1371 Temperature sensor 2 9560007-
19 W-06-00418 3 燃油传感器|RG2266 型-M1 Oil pressure sensor 1 9560007-9560010
W-06-00438 3 燃油传感器|RG2266 型-M23 Oil pressure sensor 1 9560011-
20 W-06-00303 3 机油压力传感器|YG901C Engine oil pressure sensor 1 9560007-
21 W-11-00147 3 电子接近开关|LJG2A-4/Z2CN2 Electronic Proximity Switches 1 9560007-
22 W-06-00348 3 工作计时表|52 Service meter 1 9560007-
23 W-06-00297 3 气压表|YY242 型-2L Air pressure meter 1 9560007-
24 W-06-00298 3 档位压力表|YY04 型-04C Clutch pressure meter 1 9560007-
25 W-06-00296 3 油温表|YW242 型-2B Oil temperature meter 1 9560007-
26 W-06-00295 3 水温表|SW242 型-2A Water temperature meter 1 9560007-
27 W-06-00299 3 机油压力表|YY242 型-2K Oil pressure meter 1 9560007-
28 W-06-00417 3 燃油表|RY242 型-2A Oil location meter 1 9560007-
29 W-06-00407 3 压力表联接管|ZL2-208F-5 Pipe 1 9560007-
30 W-06-00442 3 MP3 机|HMF-8601A MP3 1 9560007-
31 W-06-00423 3 天线|QT2931/4M Antenna 1 9560007-
32 W-09-00184 3 雨刷器|ZD2332B/959 Wiper 1 9560007-
33 W-06-00403 3 喇叭|SL-700 Speaker 2 9560007
