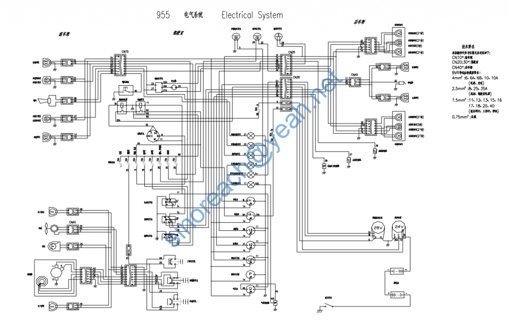
955.18 电气系统 Electrical System
955.18 电气系统 Electrical System

1 W-06-00148 1 蓄电池|115E41R Battery 2 9550005-
2 W-06-00154 1 闪光器|SG224C Flash relay 1 9550005-
3 W-11-00104 1 电源开关|K01K18-A Knife switch 1 9550005-
4 W-06-00304 1 保险丝盒|HG-4735-8 Fuse box 1 9550005-
5 W-06-00307 1 保险丝|C-20A Fuse 20A 3 9550005-
6 W-06-00306 1 保险丝|C-10A Fuse 10A 5 9550005-
7 W-06-00155 1 保险器|BX201 Fuse 2 9550005-
8 W-06-00053 1 喇叭|DL229G Horn 1 9550005-
9 W-06-00302 1 气压传感器|YG901C2 Air pressure sensor 1 9550005-
10 W-06-00303 1 机油压力传感器|YG901C Engine oil pressure sensor 1 9550005-
11 W-06-00301 1 温度传感器|WDG1371 Temperature sensor 2 9550005-
12 W-06-00311 1 继电器|MZJ50A/006 Relay 1 9550005-
13 W-11-00115 1 钥匙开关|JK412 Key switch 1 9550005-
14 W-11-00047 1 转向灯开关|JK802A Steering lamp switch 1 9550005-
15 W-06-00297 1 气压表|YY242 型-2L Air pressure gauge 1 9550005-
16 W-06-00300 1 电流表|DL922 型-2A Current gauge 1 9550005-
17 W-06-00295 1 水温表|SW242 型-2A Water temperature gauge 1 9550005-
18 W-06-00296 1 油温表|YW242 型-2B Oil temperature gauge` 1 9550005-
19 W-06-00299 1 机油压力表|YY242 型-2K Oil pressure gauge 1 9550005-
20 W-06-00322 1 档位压力表|YY04 型-04G Clutch pressure gauge 1 9550005-
21 W-06-00041 1 工作计时表|GS-3 Service gauge 1 9550005-
22 W-05-00079 1 左前组合大灯|QD230X110(L) Left front lamp 1 9550005-
23 W-05-00013 1 后照灯|ND-134-1 Rear lamp 2 9550005-
24 W-05-00015 1 后组合灯|XHYJKJ24-101 Rear group lamp 2 9550005-
25 W-09-00037 1 雨刷器|MFD190 Wiper 1 9550005-
26 W-09-00001 1 风扇|756720C Fan 1 9550005-
27 W-05-00009 1 工作灯|201 Working lamp 2 9550005-
28 W-05-00002 1 顶灯|NZ1-4 Tip lamp 1 9550005-
29 W-11-00078 1 开关|JK107 Switch 1 9550005-
30 W-11-00050 1 雨刷器开关|JK114 Wiper switch 1 9550005-
31 W-11-00009 1 开关|JK106 Switch 1 9550005-
32 W-11-00010 1 开关|JK931 Switch 1 9550005-
33 W-06-00310 1 继电器|MZJ100A/006 Relay 1 9550005-
34 W-05-00080 1 右前组合大灯|QD230X110(R) Right front lamp 1 9550005-
35 W-06-00039 1 蜂鸣器|DF204 Buzzer 1 9550005-
36 W-11-00054 1 开关组件|JK931/Z30-3 Switch group 1 9550005-
前照灯开关 Head lamp switch 1 9550005-
后照灯开关 Rear lamp switch 1 9550005-
仪表等开关 Instrument lamp switch 1 9550005-
37 W-06-00093 1 指示灯组件|XDB-WSL Lamp group 1 9550005-
左转向指示灯 Left to light 1 9550005-
手制动指示灯 Hand brake lights 1 9550005-
右转向指示灯 Right to light 1 9550005-
充电指示灯 Charging Indicator 1 9550005-
气压低指示灯 Low air pressure indicator 1 9550005-
刹车指示灯 Barking lamp 1 9550005-
前转向灯 Front steering lamp 1 9550005-
38 W-12-00143 1 自粘式吸盘|TM30 Acetabulu 6 9550005-
